Home
  Globo
    Globo 4 pre
      Navegación

Globo 4
  Común
  Digicam
  Brújula
  Sensors
  Navegación
    VOR
    Aeropuertos
    Simulación
    Receptor
    Antena

Integrantes del grupo

Circuitos relacionados a la decodificación de VOR

Diagrama en bloques del decodificador de PLL propuesto (segunda versión)
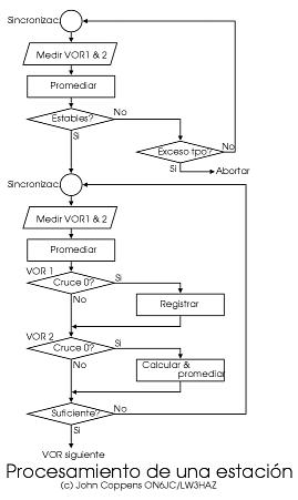
Diagrama de flujo de la evaluación de las señales del VOR
Diagrama en bloques del decodificador de PLL propuesto
Diagrama en bloques del tranceptor Icom IC-A22/E, la parte relacionado al VOR
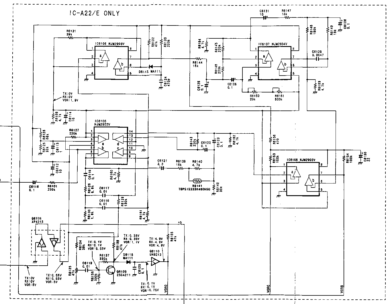
Diagrama eléctrico del tranceptor Icom IC-A22/E, la parte relacionado al VOR

Circuitos de receptores

Vínculo Idioma Descripción Fuente
Recepteur por la bande aviation Francés Receptor para la banda de aviación John

Vinculos relacionados a VOR

Vínculo Idioma Descripción Fuente
Air traffic systems Inglés Funcionamiento del VOR John
Konzept eines digitalen Empfängers für die Funknavigation Alemán Concepto de un receptor digital para navegación John
VOR dopplerowski. Polaco Foto de una antena de transmisión VOR John
Oberelfringhausen/Höhbusch Alemán Foto de una antena de transmisión VOR John
Oberelfringhausen/Höhbusch Alemán Foto de una antena de transmisión VOR John

Vinculos relacionados a GPS

Vínculo Idioma Descripción Fuente
GPS Receivers vs. 60kFt Inglés Receptores de GPS comprobados arriba de 18km John

(c) John Coppens ON6JC/LW3HAZ correo